Lora Module Block Diagram To Make Pcb Design Circuit Diagram This circuit integrates an ESP32 microcontroller with a LoRa Ra-02 SX1278 module for long-range wireless communication. The ESP32's digital pins are connected to the LoRa module's SPI interface (MOSI, MISO, SCK, NSS) and control lines (RST, DI00) to enable data transmission and reception.

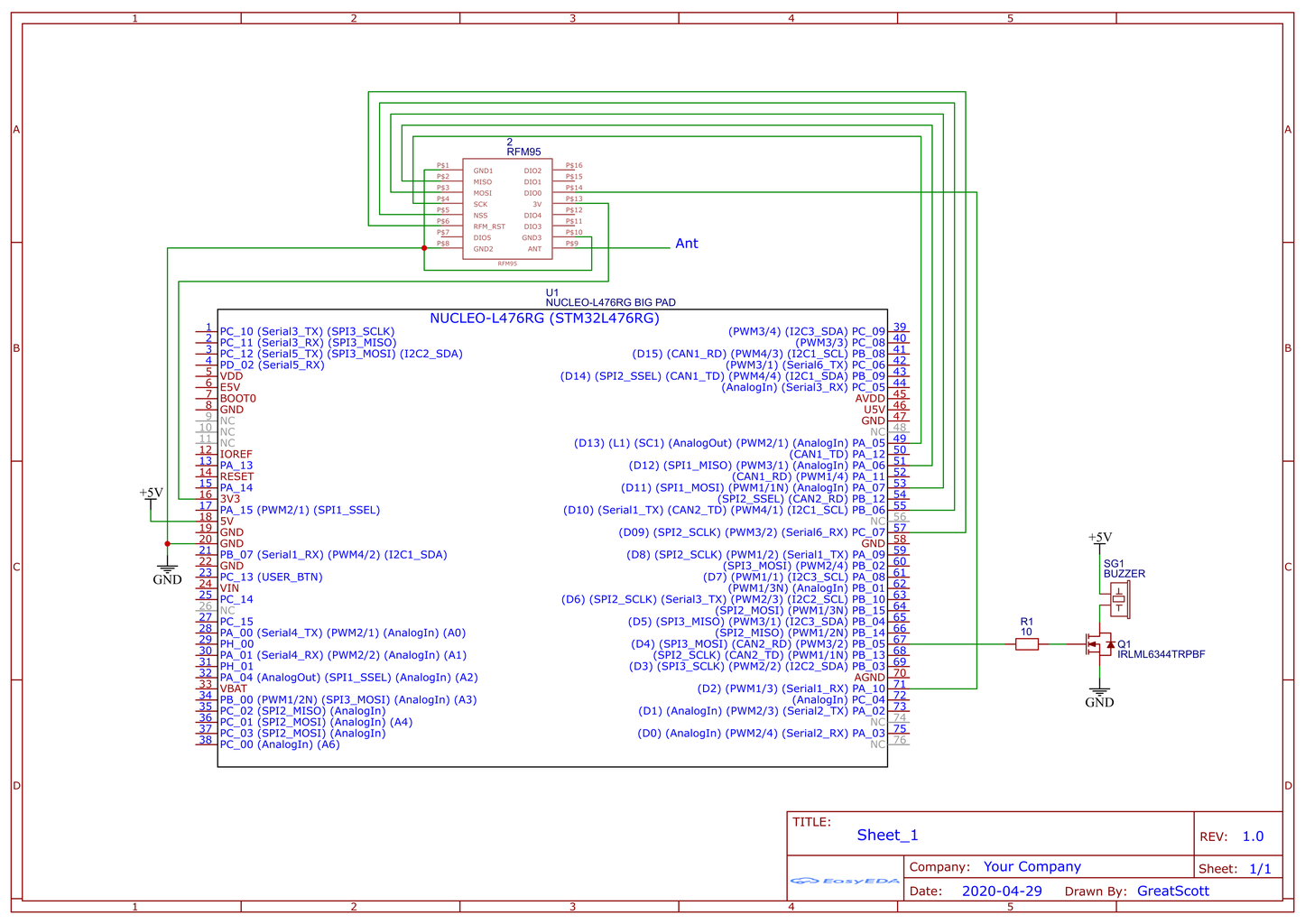
For the transmitting side we will use an Arduino UNO with our LoRa module. The circuit diagram to connect the Arduino UNO with LoRa is shown below . The LoRa module consists of 16 pins with 8 pins on each side. Out of these 16 pins, six are used by GPIO pins ranging from DIO0 to DIO5 and four are used by Ground pins. The module operates in 3.3V DIY LoRa System: In this project I will show you how to build a small LoRa transmitter and receiver with the help of STM32 development boards and RFM95 LoRa modules. Use them along with the reference pictures of my finished circuits in order to create your own. Step 4: Upload the Circuit! Here you can find the codes that I created for the

The Arduino Guide to LoRa® and LPWAN Technologies Circuit Diagram
Circuit Design of The ESP32 LoRa Project Example. The LoRa with ESP32 example project includes schematics and PCB for both the transmitter and receiver. With just a few components and straightforward programming, this example can be expanded into more complex systems—such as controlling multiple devices, integrating sensors, or even building

Lora antenna circuit design issues, in fact, as long as you master a few major points, you can basically play the best performance of LoRa. Point 1, matching circuit design. When designing the schematic diagram, a π-type matching circuit needs to be reserved between the antenna connector and the antenna pin of the module. The impedance of the Circuit: ESP32 LoRa Thingspeak Gateway with LoRa Sensor Node. Now let us see the sender and receiver circuit for building ESP32 LoRa Gateway & Sensor Node. I assembled both the circuit on breadboard. You can make it on PCB if you want. ESP32 LoRa Sensor Node. Here is an ESP32 LoRa Sensor Node Circuit with DHT11 Sensor.

How to Use Adafruit RFM9x LoRa Radio: Examples, Pinouts, and Specs Circuit Diagram
LoRa®-based networks can be public or private, depending on the deployment needs. The Things Network (TTN) is a crowdsourced, open, and decentralized LoRa®-based network server. This network is a great way to start testing devices, applications, integrations and get familiar with LoRa. To connect to TTN, you will need to be in the range of a This circuit connects an Adafruit RFM9x LoRa Radio module to an Arduino MKR WiFi 1010 for wireless communication capabilities. The LoRa module's SPI interface (MOSI, MISO, SCK, CS) is connected to the corresponding SPI pins on the Arduino, allowing for serial data transfer between the devices. In the transmitter Lora circuit, we have connected the transmitter Lora module with Arduino Nano as per the circuit diagram. In the Transmitter Lora circuit, 5 push buttons are connected with Arduino digital pin D2, D3, D4, D5, D6. Whenever we press any push-button, the signal sent to receiving the Lora module to turn on or off the respective
